
| Size | Do | d1 | d2 | I | d | H | L |
| 1/2″ | 29 | 21.54 | 21.23 | 24.22 | 16 | 6.5 | 61 |
| 3/4″ | 35 | 26.87 | 26.57 | 27.4 | 22 | 8 | 71 |
| 1″ | 44 | 33.66 | 33.27 | 30.58 | 28 | 8 | 81 |
| 1-1/4″ | 54 | 42.42 | 42.04 | 34.75 | 35 | 10 | 92.5 |
| 1-1/2″ | 60 | 48.56 | 48.11 | 37.93 | 43 | 12 | 102.5 |
| 2″ | 73 | 60.63 | 60.17 | 41.1 | 54 | 16 | 120 |
| 2-1/2″ | 88 | 73.38 | 72.85 | 47.45 | 65 | 18 | 143 |
| 3″ | 105 | 89.31 | 88.70 | 50.63 | 80 | 19.5 | 158.5 |
| 4″ | 132 | 114.80 | 114.10 | 60.15 | 100 | 26 | 194 |
| 5″ | 156.2 | 141.81 | 141.05 | 69.6 | 134 | 38.4 | 243 |
| 6″ | 191 | 168.83 | 168 | 79.2 | 150 | 45 | 280 |
| 8″ | 246 | 219.84 | 218.69 | 104.6 | 200 | 51 | 353 |
| 10″ | 306.5 | 373.81 | 372.67 | 130 | 265 | 60 | 433 |
| 12″ | 364 | 324.61 | 323.47 | 155 | 315 | 73 | 518 |
| 14″ | 397 | 356.49 | 355.22 | 180 | 346 | 150 | 704 |
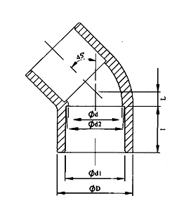
| Size Nom | ∮d1 | ∮d2 | ∮D | ∮d | I | L |
| 1/2″(15mm) | 20.3 | 19.9 | 26 | 16 | 16 | 5 |
| 3/4″(20mm) | 25.3 | 24.9 | 32 | 20 | 19 | 6 |
| 1″(25mm) | 32.3 | 31.9 | 41 | 27 | 22 | 7.5 |
| 1-1/4″(32mm) | 40.3 | 39.9 | 50.5 | 34 | 26 | 9.5 |
| 1-1/2″(40mm) | 50.3 | 49.9 | 63.2 | 44 | 31 | 11.5 |
| 2″(50mm) | 63.3 | 62.9 | 79.5 | 57 | 38 | 14 |
| 2-1/2″(65mm) | 75.35 | 74.9 | 93 | 73.5 | 44 | 17.5 |
| 3″(80mm) | 90.5 | 89.9 | 112 | 89.9 | 51 | 20 |
| 4″(100mm) | 110.6 | 109.9 | 133.1 | 109.9 | 61 | 24.5 |
| 5″(125mm) | 140.85 | 140.05 | 163 | 140 | 77 | 32.5 |
| 6″(150mm) | 160.85 | 160.05 | 186 | 160 | 86 | 36 |
| 8″(200mm) | 226.25 | 225.06 | 261 | 225 | 119 | 50 |
| 10″(250mm) | 251.45 | 250.05 | 290 | 239 | 131 | 58 |
| 12″(300mm) | 316.85 | 315.05 | 364 | 315 | 163 | 68 |

蘇公網(wǎng)安備 32050502000597號(hào)